- Fuera de stock
Relé de un canal inteligente WIFI Sonoff
Rele controlado por una APP remotamente con conexion a wifi.
Descripción:
El relé de PCB Omron Electronics G2RL es un relé de potencia disponible en varios modelos. El modelo de uso general de 2 polos presenta clasificaciones de contacto de 8 A y rigidez dieléctrica de 5 KVCA durante 1 minuto entre bobina y contactos, 2,5 KVCA durante 1 minuto entre contactos de diferente polaridad y 1 KVCA durante 1 minuto entre contactos de la misma polaridad. Otros modelos incluyen uso general con un polo, alta capacidad y alta sensibilidad. Todos los modelos de la serie de relés de PCB G2RL cumplen con VDE, están reconocidos por UL y certificados por CSA. Los componentes G2RL-HA ofrecen el estándar de hilo incandescente (IEC / EN 60335-1) para su uso en electrodomésticos (HA). Esta norma requiere el uso de materiales resistentes al fuego en la base y la carcasa.
Especificaciones:
Fabricante: Omron
Categoría de producto: Relés universales
Producto: Power Relays
Voltaje de la bobina: 12 VDC
Forma de contacto del relé: 2 Form C (DPDT-NO, NC)
Régimen de corriente del contacto: 8 A
Estilo de montaje: Through Hole
Resistencia de la bobina: 360 Ohms
Corriente de bobina: 33.3 mA
Material del contacto: Silver Alloy (Ag)
Serie: G2RL
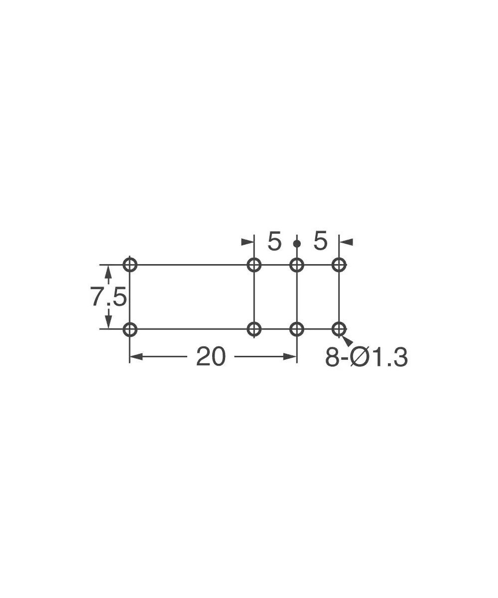
Longitud: 29 mm
Ancho: 12.7 mm
Altura: 15.7 mm
Empaquetado: Tube
Forma de contacto: DPDT (2 Form C)
Consumo de energía: 400 mW
Marca: Omron Electronics
Tipo de producto: General Purpose Relays
Cantidad de empaque de fábrica: 100
Subcategoría: Relays
Alias de las piezas n.º: G2RL2DC12 G2RL-2DC12 G2RL212DC G2RL2DC12BYOMB
Peso de la unidad: 17 g
Incluye:
1 x Rele de Potencia DPDT 12V 8A G2RL-2-DC12
Descargas
Su agradecimiento a la reseña no pudo ser enviado
Reportar comentario
Reporte enviado
Su reporte no pudo ser enviado
Escriba su propia reseña
Reseña enviada
Su reseña no pudo ser enviada
Rele controlado por una APP remotamente con conexion a wifi.
Rele de potencia para PCB SLI-12VDC-SL-A NO 30A 4 pines
Módulo de relé de control de acceso de 2 dos puerta para banco prisión
Relé de estado solido se activa con 3-32VDC la salida soporta 25A y 40A 24-380VAC.
Módulo Relé Bluetooth 5.0 de 2 Canales 12V
El interruptor de atenuación inteligente D1 es capaz de acceder de forma remota a las funciones inteligentes para automatizar su casa. Puede establecer horarios programados, control por voz, controlar un grupo de dispositivos, ajustar el brillo de la luz y compartir la luz con su familia para controlar y atenuar juntos.
Mini Rele para PCB 5VDC / 12VCD / 24VDC 10A HF32F-G
Modulo Temporizador 110VAC KG316T
Interruptor inalámbrico a distancia controlado por remoto, hasta 1.5km 315MHZ en áreas libres. funcionamiento 10'-240V AC, soporta una carga de hasta 30A.
Modulo Rele Omron 12V 16A 1/4/8 Canales
Escoger un tipo:
Rele de 1 Canal, 2 Canales, 4 Canales y 8 Canales de 10A 5V compatible con microcontrolador arduino
El módulo SSR te permite controlar el encendido/apagado de equipos de corriente alterna como electrodomésticos. Funciona perfectamente con Arduino, Pic o cualquier otro sistema digital.
Relé de Potencia DPDT 12V 8A G2RL-2-DC12
check_circle
check_circle