Regulador de voltaje UC3845BN (PDIP)
Regulador de voltaje UC3845BN (PDIP)
Descripción:
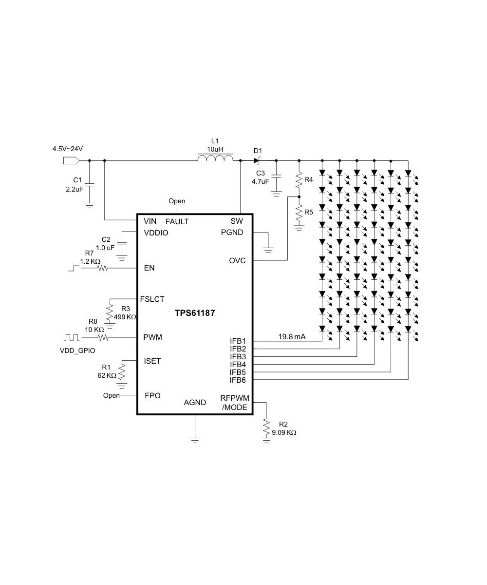
El dispositivo TPS61187 proporciona una alta integración solución de controlador de diodo emisor de luz blanca (WLED) para luz de fondo de la pantalla LCD portátil. Este dispositivo tiene una función regulador de impulso de alta eficiencia con 2-A integrado, MOSFET de potencia de 40 V. Los seis reguladores de fregadero de corriente proporcionan una regulación de corriente de alta precisión y pareo. En total, el dispositivo puede admitir hasta 60 WLED. Además, la salida de impulso automáticamente ajusta su voltaje al voltaje directo WLED para optimizar la eficiencia.
Características:
Fabricante: Texas Instruments
Categoría de producto: Controladores de iluminación LED
RoHS: Detalles
Voltaje de entrada: 4 V a 24 V
Frecuencia de trabajo: 100 Hz a 22 kHz
Corriente de suministro - Máx .: 30 mA
Temperatura de trabajo mínima: - 40 C
Temperatura de trabajo máxima: + 85 C
Estilo de montaje: SMD / SMT
Paquete / Cubierta: QFN-20
Serie: TPS61187
Empaquetado: Carrete
Empaquetado: Cortar cinta
Empaquetado: MouseReel
Características: Desconexión de carga durante el apagado
Marca: Texas Instruments
Sensibles a la humedad: Sí
Rango de temperatura de trabajo: - 40 C a + 85 C
Tipo de producto: Controladores de iluminación LED
3000
Subcategoría: Circuitos integrados de controladores
Peso de la unidad: 38.100 mg
Incluye:
1 x Controlador de Iluminación LED TPS61187RTJR
Referencias específicas
Descargas
Su agradecimiento a la reseña no pudo ser enviado
Reportar comentario
Reporte enviado
Su reporte no pudo ser enviado
Escriba su propia reseña
Reseña enviada
Su reseña no pudo ser enviada
Regulador de voltaje UC3845BN (PDIP)
QX5252 es un ASIC para lámparas solares LED para césped.
Modulo regulador de voltaje DC-DC 400W descendente
Regulador de voltaje negativo MC79L12ACPRAG
Regulador descendente 10W 9-18V a 5V DC-DC
Rectificadora de voltaje 80V 15000UF
Modulo regulador de voltaje descendente LM2596 3.2-40V 3A DIY
Transistor de Potencia IGBT FGH40N60 600V 40A (TO-247)
Convertidor de voltaje AC/DC TNY277PN (DIP)
Controlador de Motor L298N 15 pines
Regulador de voltaje automático, generador SX440-A AVR
Dimmer regulador de luz 12/24V 30A
Regulador de voltaje descendente XH-M404 XL4016E1
El TL494 es un control de modulación de ancho de pulso de frecuencia fija
Termostato KSD301 10A 40°C 45°C 50°C 55°C 60°C 65°C 70°C 80°C 90°C 95°C 100°C 110°C 120°C 130°C 135°C 140°C 150°C 160°C 170°C 180°C 185°C Normalmente cerrado N.C. interruptor de temperatura de disco a presión para microondas, horno, cafetera y ahumador.
Escoger un valor:
Regulador de voltaje sobre una placa PCB que se ajusta con un potenciometro.
Controlador de Iluminación LED TPS61187RTJR
check_circle
check_circle