Sensor de presión absoluta de 15 a 100 PSI MD-PS002
Sensor de presión absoluta de 15 a 100 PSI MD-PS002
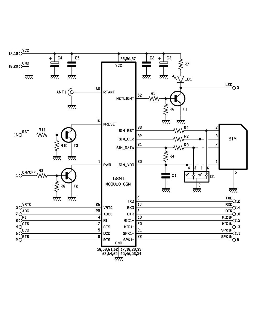
Características:
1. Soporte 2, teléfono móvil 3, Tarjeta 4G.
2. La interfaz de alimentación integrada de dos conjuntos VCC5 5 V fuente de alimentación, interfaz VCC4, fuente de alimentación de 3,5-4,5 V, potencia opcional de inicio automático (predeterminado) y Inicio de control.
3. El SMA integrado (predeterminado) y la interfaz de antena IPXmini, interfaz SIM900A reinicio reservado.
4. El ordenador puede proporcionar una fuente de alimentación del módulo USB de depuración temprana del ordenador, una gran cantidad de datos bajo la condición de corriente recomendada de más de 1 a.
5. Se pueden configurar docenas de datos MA en espera para proporcionar una capacidad de reposo, una capacidad de 10 MA de baja potencia.
6. Circuito de puerto serie: compatible con microordenador de un solo chip de 3,3 V. Puerto serie TTL apoyo
7. El circuito de la tarjeta SIM para aumentar el chip ESD SMF05C.
8. Circuito de antena: se garantiza un corto y recto para garantizar la intensidad de la señal.
9. Marca de impresión de pantalla PCB: cada interfaz, desarrollo práctico dos veces, el hardware SIM900/A sigue completamente el diseño cuando el manual de diseño.
10. Un nivel TTL, compatible con 3,3 V y 5 V.
11 La interfaz de dos antenas, la cabeza recta SMA predeterminada, el conector para la antena IPXmini.
Descripción:
La interfaz de control de cada pin
GND-GND
SIMR SIM900A RXD, nivel TTL, no se puede conectar directamente al nivel 232
SIMT SIM900A TXD, nivel TTL, no se puede conectar directamente al nivel 232
RST-SIM900A reinicio, activo bajo
VCC_MCU cuando el módulo SIM900A y la comunicación de nivel TTL de 5 V, este pin está conectado a DC 5 V; cuando el nivel de comunicación de SIM900A y TTL 3,3 V, este pin está conectado a CC 3,3 V
VCC5----DC de entrada de 5 V
VCC4----DC3.5--4.5 de entrada
Incluye:
1 x Modulo GSM / GPRS SIM900A
Referencias específicas
Su agradecimiento a la reseña no pudo ser enviado
Reportar comentario
Reporte enviado
Su reporte no pudo ser enviado
Escriba su propia reseña
Reseña enviada
Su reseña no pudo ser enviada
Sensor de presión absoluta de 15 a 100 PSI MD-PS002
Sensor de Humedad y Temperatura del Suelo
Sensor de dirección del viento / sensor de velocidad del viento DC12-24V, conjuntos de salida de tensión / corriente
Placa del sensor MAX31855 SPI tipo K Temperatura del termopar para Arduino
Modulo Sensor de Corriente de Voltaje MAX471 5V 3-25V 0-3A
Modulo Acelerometro y Giroscopio 6DOF GY-BMI160
Sonda de temperatura termocupla tipo PT100 1000mm -50 a 420 grados
95DB 3-24V alarma zumbador electrónico largo continuo pitido Arduino piezoeléctrico
Lector de huella digital Módulos de sensores para cerraduras Arduino
tarjeta de expansion GPIO para Microbit
Sensor ultrasónico XNQ200-18A de precisión de transmisor 18MM 200KHZ
El HC-SR04 es un sensor de distancias por ultrasonidos capaz de detectar objetos y calcular la distancia a la que se encuentra en un rango de 2 a 450 cm.
AM2305 Sensor Digital de temperatura y humedad calibrado salida de señal
Sensor de contaminación del aire ZP07-MP503
CJMCU-1100 MS-1100 Módulo de sensor de gas VOC Formaldehído Concentración de benceno Inducción de gas 100mA Breakout para Arduino
El PIC16F877 es un microcontrolador con memoria de programa tipo FLASH, lo que representa gran facilidad en el desarrollo de prototipos y en su aprendizaje ya que no se requiere borrarlo con luz ultravioleta como las versiones EPROM, sino que permite reprogramarlo nuevamente sin ser borrado con anterioridad.
Bateria 9V Duracell No Recargable
Acelerómetro de tres ejes para LilyPad.
El HC-SR04 es un sensor de distancias por ultrasonidos capaz de detectar objetos y calcular la distancia a la que se encuentra en un rango de 2 a 450 cm.
Micro servomotor ideal para aprender a utilizar servos RC, su pequeño tamaño permite utilizarlo en multiples proyectos.
Escoger un tipo:
Cinta Kapton Aislante de alta temperatura 280 grados 10mm / 20mm
Agrega fácilmente alertas o tonos de sonido a tus proyectos
Modulo de Control de Botones (Joystick) compatible con plataforma arduino.
Control remoto PS2 para aplicaciones DIY arduino , pic, raspberry y otros.
Modulo GSM / GPRS SIM900A
check_circle
check_circle